ترانسمیتر فشار
در این مقاله، ما قصد داریم شما را با یک ابزار بسیار پرکاربرد که امروزه در صنعت استفاده میشود یعنی ترانسمیتر فشار – آشنا کنیم. ترانسمیتر فشار در دسته بندی تجهیزات ابزار دقیق قرار می گیرد. خیلی خوب، بیایید بریم سراغش.
مقایسه ترانسمیتر و ترانسدیوسر
اول از همه، بیایید در مورد اصطلاحات مبدل (ترانسدیوسر) و فرستنده (ترانسمیتر) صحبت کنیم. بعضیها به شما خواهند گفت که مبدل و فرستنده دو چیز یکسان هستند و بنابراین این اصطلاحات میتوانند به جای یکدیگر استفاده شوند. اگر جستجوگر و کنجکاو هستید این دو را در موتورهای جستجو وارد کرده و جستجو کنید از طیف گسترده نتایج غافلگیر خواهید شد.
ترانسدیوسر (مبدل)
یک تجهیز است که انرژی را از یک شکل به شکل دیگری تبدیل می کند.
برای مثال، یک ترانسدیوسر الکتریکی یک متغیر فیزیکی حس شده را به یک سیگنال الکتریکی تبدیل می کند.
ترانسمیتر (فرستنده)
ترانسمیتر وسیلهای است که سیگنال الکتریکی را از مبدل (ترانسدیوسر) دریافت کرده و به سیگنال الکتریکی بسیار بزرگتری تبدیل میکند که میتواند در یک مسافت طولانی به PLC یا DCS ارسال شود.
سیگنال خروجی ترانسمیتر
سیگنال خروجی ترانسمیتر معمولا ولتاژ (1 تا 5 ولت) یا جریان (20 تا 20 میلی آمپر) است که بیانگر 0 تا 100% متغیر فیزیکی حس شده می باشد
ترانسمیتر فشار
ترانسمیتر فشار تجهیزی است که به ترانسدیوسر فشار متصل شده است. خروجی یک ترانسمیتر فشار، یک ولتاژ الکتریکی آنالوگ یا یک سیگنال جریان است که نشاندهنده ۰ تا ۱۰۰٪ محدوده فشار حسشده توسط ترانسدیوسر است.
دیافراگم اندازه گیری
بخش حسگر فیزیکی مبدل که با فشار اندازهگیری شده در تماس است، مبتنی بر چندین فناوری و مواد مانند کرنشسنج، خازنی و پتانسیومتری است. محیظ واقعی فرآیند با استفاده از دیافراگم اندازه گیری از ماده حسگر جدا شده است.
نوع حسگر انتخاب شده با توجه به کاربرد و محیطی که در آن استفاده میشود، تعیین میشود.
ما در زمینه ترانسمیترهای دو مقاله دیگر در وبسایت موتور درایو داریم. در مقاله اول با عنوان ” نحوه کار ترانسمیتر 4-20 میلی آمپر ” به کلیت ترانسمیتر با خروجی جریانی پرداخته ایم و مزیتهای این پیکربندی را بررسی کرده ایم و در مقاله دوم با عنوان ” سیم کشی ترانسمیتر 2، 3 و چهار سیمه + ویدئو ” به انواع مختلف سیم کشی و پیکربندی های موجود پرداخته شده است. ساده ترین نوع سیم کشی سیم کشی دو سیمه است اما محدودیتهایی دارد که در این مقاله مورد بررسی قرار گرفته است. یک ویدئو هم در این مقاله درج شده است. این مقالات جذاب را از دست ندهید.
فشارهای اندازه گیری
ترانسمیترهای فشار می توانند فشار مطلق، گیج و دیفرانسیل را اندازه گیری کنند.
فشار مطلق (Absolute)
فشار مطلق به خلاء کامل که صفر psi در نظر گرفته میشود، اشاره دارد! ما فشار خلاء را به صورت 0psi (a) بیان میکنیم. حرف (a) مخفف کلمه Absolute به معنای مطلق است. فشار اتمسفر معمولاً حدود 14.7psi (a) است.
فشار گیج
رایجترین روش اندازهگیری فشار، فشار گیج است که برابر با فشار کل منهای فشار اتمسفر است. فشار اتمسفر 0psi (g) است.
همانطور که در مقالات قبلی خود بحث کردیم، تطبیقپذیری یک ترانسمیتر فشار تفاضلی به ما انعطافپذیری لازم برای اندازهگیری سطح و جریان و همچنین فشار را میدهد.
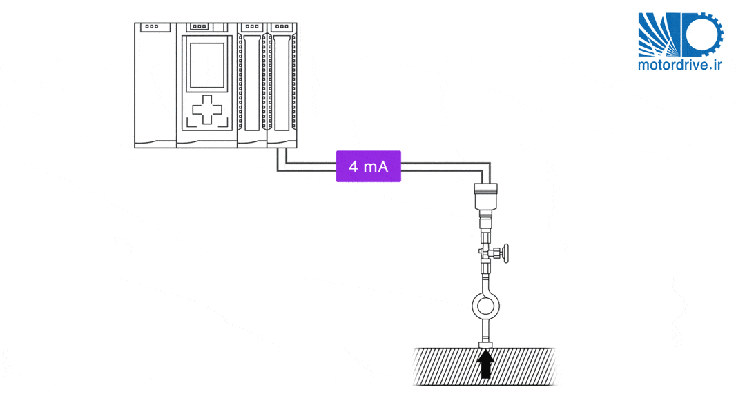
مثالی از ترانسمیتر فشار
بیایید نگاهی به نمونهای از یک ترانسمیتر فشار بیندازیم. که فشار گازها را در یک خط لوله اندازهگیری میکند. ار تزانسمیترهای فشار خوب در بازار ایران می توان ترانسمیتر فشار ویکا WIKA را نام برد.
ترانسمیتر فشار یک سیگنال جریان به PLC ارسال میکند که نشاندهنده فشار فرآیند است. این ترانسمیتر فشار به گونهای کالیبره شده است که بتواند جریانی در محدوده ۴ تا ۲۰ میلیآمپر را برای فشار فرآیندی در محدوده ۰ تا 350psi در خروجی فراهم کند.
خلاصه
بیایید یک بار دیگر مواردی را که بررسی کردیم مرور کنیم
- بعضیها به شما خواهند گفت که یک ترانسدیوسر (مبدل) و یک ترانسمیتر (فرستنده) چیزهای یکسانی هستند و بنابراین این اصطلاحات قابل جایگزینی هستند.
- یک ترانسدیوسر تجهیزی است که انرژی را از یک شکل به شکل دیگر تبدیل می کند
- فرستنده یا ترانسمیتر وسیلهای است که سیگنال الکتریکی را از مبدل به سیگنال الکتریکی بسیار بزرگتری تبدیل میکند که میتواند از مسافت طولانی به PLC یا DCS ارسال شود.
- یک ترانسمیتر فشار تجهیزی است که به ترانسدیوسر فشار متصل می شود.
- خروجی یک ترانسمیتر فشار، یک ولتاژ الکتریکی آنالوگ یا یک سیگنال جریان است که نشاندهنده ۰ تا ۱۰۰٪ محدوده فشار حسشده توسط ترانسدیوسر است.
- ترانسمیترهای فشار می توانند فشار مطلق، گیج یا دیفرانسیل را اندازه گیری کنند.
در پایان اگر در مورد ترانسمیتر فشار سوالی دارید همین جا بپرسید خیلی زود پاسخ خواهیم داد و اگر نکته ای به ذهن شما می رسد که به بهبود این مقاله کمک می کند در بخش نظرات درج کنید که به مقاله اضافه شود. از این که با موتور درایو همراه هستید متشکریم.
مرجع:
https://www.realpars.com/blog
Pressure Transmitter Explained | Working Principle








بدون دیدگاه